Трёхэтажная полочка своими руками
Компьютер обычно стоит на столе возле стены. Вместе с компьютером обычно используются разные мелочи, которые желательно хранить в пределах легкой досягаемости.
Для таких мелочей предлагаю построить компактную вместительную трехэтажную полочку, которую удобно подвесить на стену рядом с компьютером.
Для этого Вам понадобятся:
— фанера толщиной 10 мм;
— электролобзик;
— дрель, сверла;
— шурупы (саморезы) — 16 штук;
— дюбель-крюк — 2 штуки;
— шлифовальная шкурка;
— лак;
— пленка самоклеющаяся;
— карандаш, циркуль, линейка.

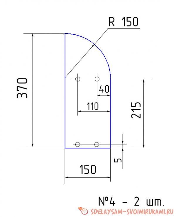
Полка состоит из семи деталей, две из них попарно одинаковые.


Все детали вырезаются лобзиком с мелкозубой пилочкой из многослойной фанеры толщиной 10 мм. Детали крепятся шурупами 3,5х40 желтого (золотистого) цвета с потайной шляпкой. Места под шурупы отмечены только на плоскостях.


Отверстия сверлим такие, чтобы шуруп свободно проходил, отверстия зенкуем. Отверстия в торцах сверлим посередине толщины фанеры, местоположение отверстий нетрудно рассчитать самостоятельно. Для крепления полочки к стене сверлим отверстия для дюбель-крючка примерно в 1 см от края в углах верхней горизонтальной и большой горизонтальной полок.


После того, как все детали готовы, зачищаем их. Радиальные места плавно зачищаем. Если на фанере есть дефекты — шпаклюем и зачищаем. Покрываем со всех сторон лаком. Для декоративности плоскости обклеиваем пленкой. Не забываем отмечать отверстия. Детали готовы к сборке. Порядок сборки. К самой длинной горизонтальной детали №1 крепим все вертикальные элементы. Затем прикручиваем оставшиеся горизонтальные. Прикладываем полочку к стене. Отмечаем места установки дюбель-крюков. Устанавливаем крючки. Навешиваем полочку. Все.

Для таких мелочей предлагаю построить компактную вместительную трехэтажную полочку, которую удобно подвесить на стену рядом с компьютером.

Для этого Вам понадобятся:
— фанера толщиной 10 мм;
— электролобзик;
— дрель, сверла;
— шурупы (саморезы) — 16 штук;
— дюбель-крюк — 2 штуки;
— шлифовальная шкурка;
— лак;
— пленка самоклеющаяся;
— карандаш, циркуль, линейка.

Полка состоит из семи деталей, две из них попарно одинаковые.


Все детали вырезаются лобзиком с мелкозубой пилочкой из многослойной фанеры толщиной 10 мм. Детали крепятся шурупами 3,5х40 желтого (золотистого) цвета с потайной шляпкой. Места под шурупы отмечены только на плоскостях.


Отверстия сверлим такие, чтобы шуруп свободно проходил, отверстия зенкуем. Отверстия в торцах сверлим посередине толщины фанеры, местоположение отверстий нетрудно рассчитать самостоятельно. Для крепления полочки к стене сверлим отверстия для дюбель-крючка примерно в 1 см от края в углах верхней горизонтальной и большой горизонтальной полок.


После того, как все детали готовы, зачищаем их. Радиальные места плавно зачищаем. Если на фанере есть дефекты — шпаклюем и зачищаем. Покрываем со всех сторон лаком. Для декоративности плоскости обклеиваем пленкой. Не забываем отмечать отверстия. Детали готовы к сборке. Порядок сборки. К самой длинной горизонтальной детали №1 крепим все вертикальные элементы. Затем прикручиваем оставшиеся горизонтальные. Прикладываем полочку к стене. Отмечаем места установки дюбель-крюков. Устанавливаем крючки. Навешиваем полочку. Все.

Только зарегистрированные и авторизованные пользователи могут оставлять комментарии.

